OSU
На главную
Конструкторское бюро
Ответственность
Совершенство
Универсальность
Галерея выполненных работ
Выполнен расчет несущих элементов каркаса (стоек, балок, арок, обрешетки)
Проектирование и расчет кровли частного дома
Расчет элементов каркаса A-Frame
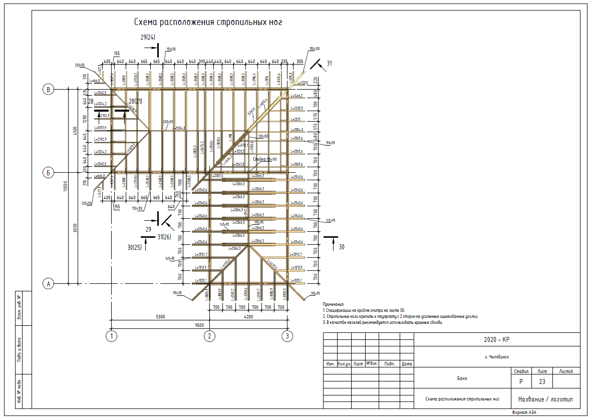
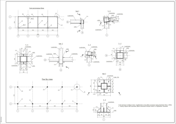
Проектирование и расчет строительных конструкций бани
Расчет и проектирование бубновой кровли
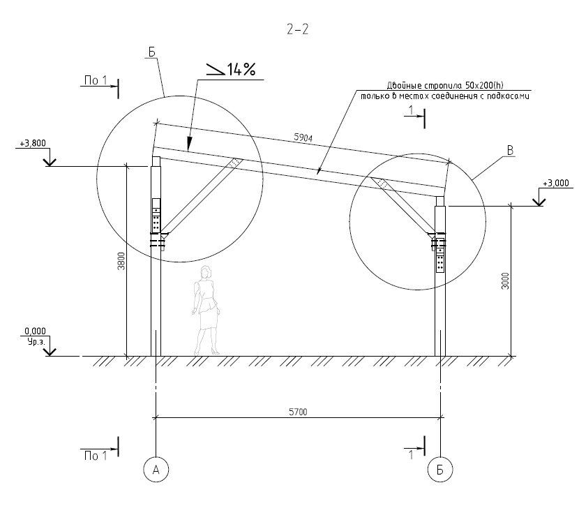
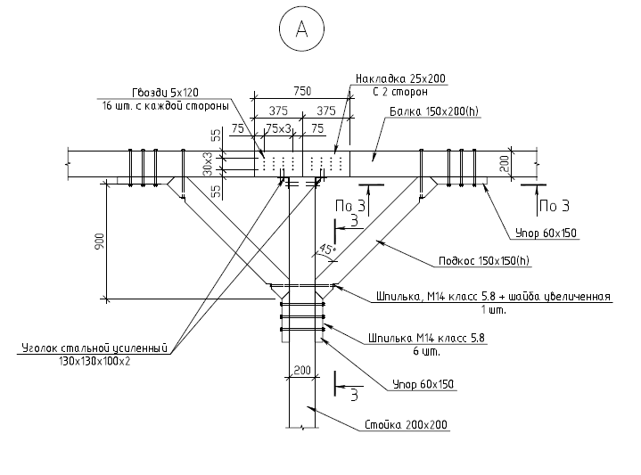
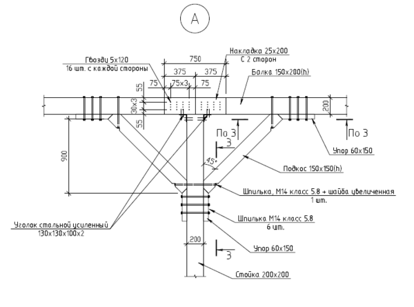
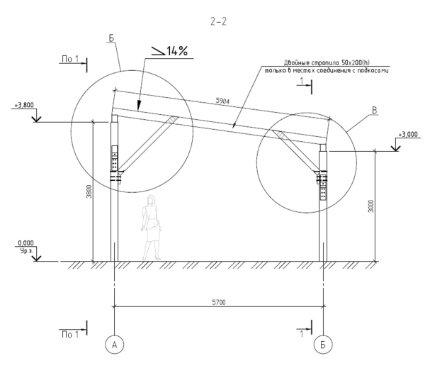
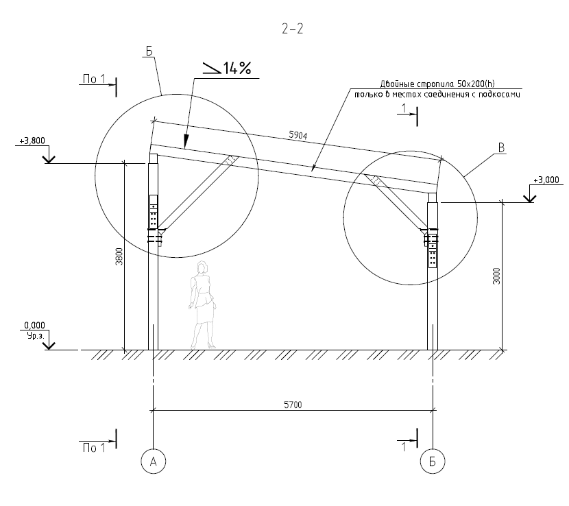
Расчет и проектирование деревянного навеса
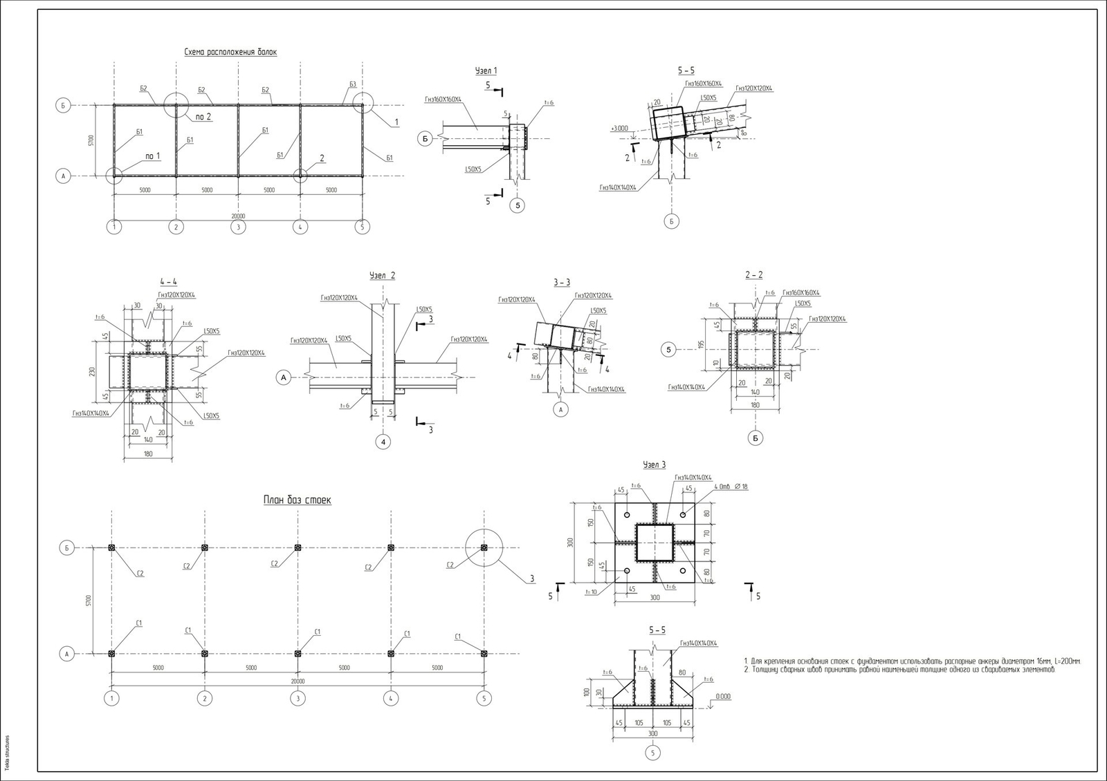
Выполнены все разделы конструктивной части крупного цеха из стальных конструкций (КМ, КЖ, РР). Стадия П+Р.
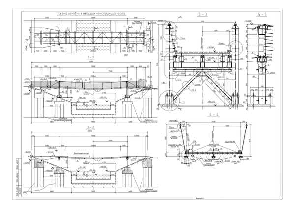
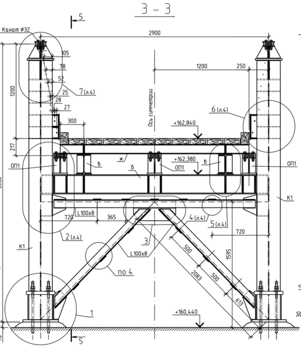
Проектирование и расчет стального висячего моста (КМ, КМД, РР). Расчеты выполнены согласно СП 35.13330.2011 Мосты и трубы
Расчет и проектирование стального навеса